Community Member Credit: Charis Cacal


![]()
Community Member Credit: 9BlackMaxMS
I figured I would take everyone through a step-by-step process of how to do it. It is really an easy job and anyone can do it.
Parts Needed:
(1) Nissan 350Z Footrest Assembly: Part # – 67840-CD00C ($23.68)

(2) Nissan AE Maxima Clutch/Brake Pedal Cover: Part # – 46531-AB000 ($19.14 ea.)

(1) Nissan AE Maxima Gas Lever Assembly: Part # – 18005-4Y900 ($27.76)

(1) 8×1-3/4 Flat Philip Head Zinc Finish Screws ($1.03)

I got the OEM parts from Dave Burnette at Southpoint Nissan at cost, and after shipping my grand total of parts came to $99.50 with the screws added in.
Tools Needed:

The 350Z does not come from the factory with an elevated spot for a dead pedal, therefore there is a lot of unnecessary plastic that needs to be cut away.

First, remove the five (5) screws (four silver metal ones at each corner, and one black one in the center). Put the aluminum cover in a safe spot as it is very bendable.

Once separated, clamp the black plastic base to the bench vise and start sawing away. Leave about 1/2-3/4″ of clearance between the top and the side of the pedal. Next, use the bench grinder or a sander/sandpaper to finish the edge of the pedal and to even out the base. It should look like this when finished:

Now that your dead pedal is correctly cut and finished to your liking, use the small Philips head screwdriver and screw in the small black screw to secure the aluminum plate to the base.

Go outside into your car and place the pedal where you would permanently like to place it. Rest it in place and begin drilling. You can drill directly through the carpeting. After drilling the four holes, take one 8×1-3/4 screw and fill in the four holes you just drilled. Voila, your dead pedal is installed and secured safely.
Before:

After:

First off, if you have an automatic, you complete this task with only one pedal (clearly) but can use the same method as I did.
Begin by peeling back the old clutch and brake pedals. They should come off with little effort. I found it best to reinstall the new pedal cover in a specific order, making each corner/side easier to slip on. Using the stubby flathead screwdriver, slide the top right corner and right side on. Next, use the flathead to flip the backing away while you set the top left part of the cover in place. Continue this process until you get the entire cover on.
I found it best to install the cover in the following order:

Continue on and do the same for the brake pedal.
Begin by removing the throttle cable from the very top of the pedal assembly. It is kind of tricky, but if you wedge your long flathead screwdriver between the plastic clip and the metal on the pedal arm, it will pop free. The cable is located where these two red arrows are pointing to:

Next, unbolt the two 10mm nuts holding the pedal bracket in place (located on the firewall). Once these are taken off, the whole gas pedal assembly (pedal and arm) will fall out.

Continue the re-installation of the new pedal in reverse order of taking out the old one (first bolt in the two 10mm nuts that hold the pedal to the mounting bracket, then clip in the throttle cable).
You are finished. Put back your floormat and enjoy.
Before:


After:
Additional Photos (2002 Maxima)

![]()
Community Member Credit: Kevon Manners
Order Link: https://www.amazon.com/dp/B086D1DM14



![]()
Community Member Credit: Nelson Andino
Notes:

This is the plug you need to use.

2016-2017 Airbag Setup

2018-2021 Airbag Setup

Upgrade to Carbon Fiber


![]()
Community Member Credit: Froggmann
It’s very simple to wire but you will need the plug if you want to use the factory button. Sunshade, not so much but it’s good to have a disconnect.
Wiring is real simple:
Basically, the sunshade is always hot, and supply’s power to the red and green wires. Once one of the grounds is triggered, the shade will go into operation in the direction it was grounded (Red gets grounded, the shade goes up. Green gets grounded, the shade goes down)
A simple way to make a harness:
Grab about 15 feet of wire equal lengths, 14-16 gauge in three different colors preferably red, green, and white. Tie them to a stationary object and stretch them out. tighten your drill chuck on one end and then start twisting. GO until it starts curling over on itself.
As for the factory button, if you can’t find a plug for it then temporarily install a momentary “on-off – momentary on” switch and just poke it out under the center console. 2nd gen I30s are getting a little more common so you should be able to find the plug sooner than later.


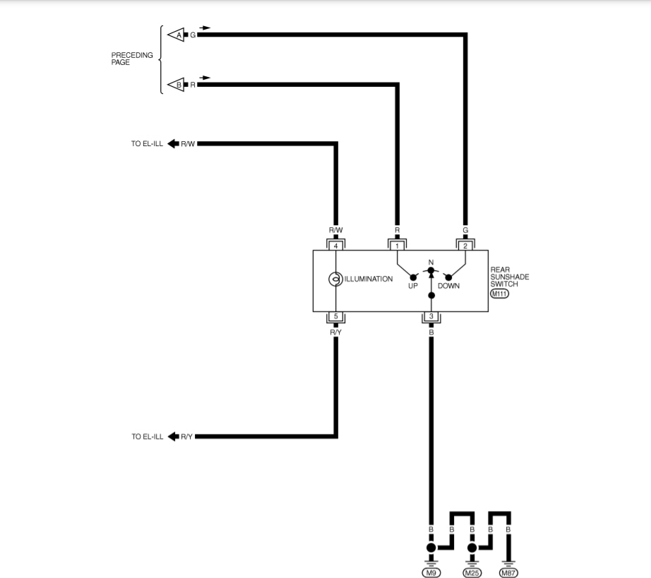
FSM Wiring Diagrams

![]()
Community Member Credit: Eddy
This is the wiring for the rear Elite Package shade on the 2004-2008 Nissan Maxima.
| Color Plug | Color Harness | Purpose |
| Red/Green | Red | Power + |
| Black | White | Up – |
| Green/Black | Green | Down – |
| Red/Blue | Black | Ground – |

![]()
Community Member Credit: maxxxxspeed
1. Remove the screen surround by pulling and prying with a plastic interior “popper”. As you can see there are quite a few clips. There are 3 plugs onto the back of this. Undo them and put this aside. (Pic below is completed so disregard the black wire you will not have this until it is complete)

2. Next remove the 2 black screws at the top of bottom portion of the stereo.

3. Now pull on this to release 4 clips that hold this on. There is one plug at the bottom of this. unplug and set aside.
4. Now the actual stereo is exposed (silver box). It is held in with 4 screws. Remove there and pull it out. For the bottom left screw you may have to put your transmission in neutral to get a good angle on it. MAKE SURE YOUR PARKING BRAKE IS ON AND YOUR ARE ON LEVEL GROUND!
5. The connector you are looking for is the BIGGEST ONE. It is located on the bottom left hand (drivers) side of the stereo.
6. Cut the VSS wire. PURPLE/WHITE TRACER. Make sure you seal the ends to prevent shorting out. (I just quickly wrapped tape to make sure it worked before I permanently sealed the ends. This will eliminate the Speed Volume Control but I hated it anyways. so no biggy.

7. Next cut the EBrake wire. GREEN/RED TRACER. Ground the end that is coming out of the connector to the frame that holds the silver box (stereo) into the dash. I had to add an extra wire to get it to reach. (this will be soldered, again just quickly put together to make sure it worked).

![]()